Détails du produit
Référence
E3699 - 2339304007Informations
Relai Solenoid démarreur BOSCH 2339304019 LOMBARDINI FOCS LDW502 5840209 - 5840194
Caractéristiques et avantages
Solenoid 12V de démarreur BOSCH relais
Marque : GHIBAUDI Mario Italy
Référence du solénoid : E3699
Equivalent à BOSCH : 2339304019 - 2339304023 - 2339304007 CARGO139075 ZM372
Pour démarreur de marque BOSCH : 5840209 (BOSCH 0001107430) et 5840194 (BOSCH 0001107062)
Compatible avec les démarreur BOSCH suivant : 0001107430 - 0001107062 - 0001106062 - 0001106083 - 0001107068 - 0001107076 - 0001107078 - 0001108166 - 0001108167 - 0001108173 - 0001108181 - 000109029 - 0001109031 - 0001109035 - 0001109252 - 0001115002 - 0001115007
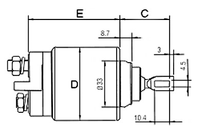
Dimensions (mm) :


C = 25 - D=52.50 - E = 64.50
Avis Clients
Aucun avis client pour ce produit.