98.40€
Détails du produit
Informations
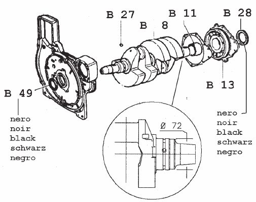
Coussinet coté réservoir10LD400-2 et 12LD435-2 12LD475-2
Caractéristiques et avantages
Coussinet coté volant moteur / réservoir carburant
Référence : FIN055MB_STD
1611.055 - ED0016110550-S
Dimensions :

Pour vilebrequin Ø72mm (voir schéma) :

Pour LOMBARDINI :
- - 10LD400-2
- - 12LD435-2
- - 12LD475-2
Merci de renseigner ci-dessous la côte du coussinet (ou en standard (Disponible) ou en -0.25mm (Non dispo) ou en -0.50mm (Non dispo))