La référence de la vente de pièces détachées moteurs en ligne

Image produit
Image produit
Image produit
Image produit
Image produit
Image produit
Image produit
Image produit

Coussinet ligne avant DVA920 DVA1030 SLANZI LOMBARDINI (cote non terminée) FINR965MB_BAR SLANZI 1585097 - Bague Vilebrequin DVA920 DVA1030 SLANZI

57.60€

Détails du produit

Informations

Coussinet banc coté volant SLANZI DVA920 - DVA1030

Caractéristiques et avantages

Bague / Coussinet ligne vilebrequin avant (coté volant) en côte ébauche non terminée, à faire aleser en ligne à la côte par un atelier de rectification.

 

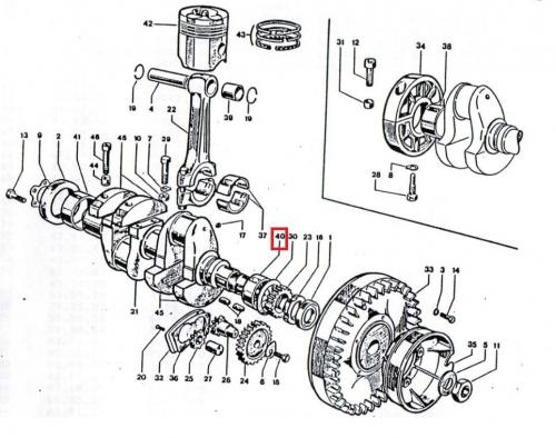
Il s'agit du repère n°40 sur la vue éclatée ci-jointe

 

Référence : 1585.097 ou FINR965MB_BAR

45.59.56 ; ED0015850970-S

 

Pour moteurs SLANZI :

 

  • DVA920 et DVA1030

 

Image produit
Image produit
Image produit
Image produit

Produits Similaires

Coussinet ligne 6LD260 6LD325 6LD326 6LD360 6LD400 6LD435 (Coté Distribution) LOMBARDINI

Coussinet ligne 6LD260 6LD325 6LD326 6LD360 6LD400 6LD435 (Coté Distribution) LOMBARDINI

Coussinet ligne coté Distribution 6LD260 6LD325 6LD326 6LD360 6LD400 6LD435

90.00 €
108.00 €
Personnaliser
Coussinet coté Volant 9LD561-2 9LD625-2 LOMBARDINI (1611160) [Ø55.00mm] ED0016111600-S

Coussinet coté Volant 9LD561-2 9LD625-2 LOMBARDINI (1611160) [Ø55.00mm] ED0016111600-S

Coussinet coté volant Ø55.00mm pour 9LD561-2 9LD625-2 et 9LD626-2 LOMBARDINI

105.60 €
Personnaliser