Détails du produit
Informations
Coussinet bielle pour DVA1030 - DVA920 - DVA460 ED0016401040-S
Caractéristiques et avantages
Coussinet de bielle
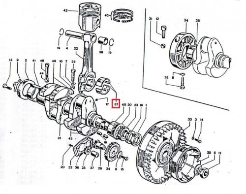
Il s'agit du repère n°37 sur la vue éclatée ci-jointe
Dimensions (mm) :

REFERENCES :
- Côte standard : FIN961CR_STD
Equivalent à SLANZI : 45.50.23 ; 8061.197 ; 1640.104 ; 1640104 ; ED0016401040-S
Disponible en stock
ou
- Côte réparation 0.25mm : FIN961CR_025
Equivalent à SLANZI : 45.50.24 ; 8061.198 ; 8061198 ; 1640.105 ; 1640105 ; ED0016401050-S
Non disponible en stock - Sur commande spécifique
Délai approvisionnement : 8/10 jours ouvrés
ou
- Côte réparation 0.50mm : FIN961CR_050
Equivalent à SLANZI : 45.50.25 ; 8061.199 ; 8061199 ; 1640.106 ; 1640106 ; ED0016401060-S
Non disponible en stock - Sur commande spécifique
Délai approvisionnement : 8/10 jours ouvrés
ou
- Côte réparation 0.75mm : FIN961CR_075
Non disponible en stock - Sur commande spécifique
Délai approvisionnement : 8/10 jours ouvrés
Pour moteurs SLANZI :
- DVA1030 - DVA920
- DVA460 - DVA515